






















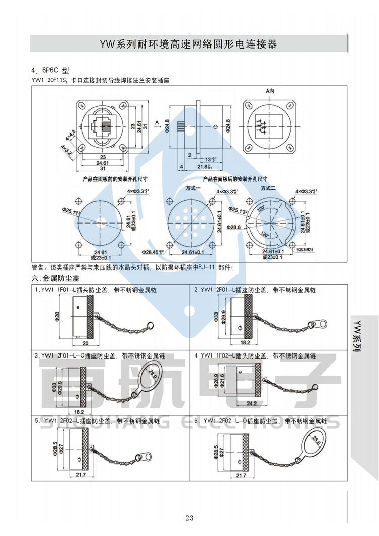
*連接方式:卡口(kǒu)、三頭螺紋 *根據需要可內置RJ45、USB、RJ11和1394等接口 *USB有:USB A型、USB B型、MiniUSB A型4P、MiniUSB A型5P、MiniUSB A型8P、MiniUSB B型4P、MiniUSB B型5P *端接形式為導線焊接、壓接和印製板焊接 *插座有端接型和轉接型,轉接形式為單卡(kǎ)口(單螺紋)和雙卡口 *接(jiē)口安裝尺寸符合MIL-C-26482(GJB598)和GJB599的安裝; *性能指標符合GJB598和TIA/EIA-568。